ということで、シリアルデータの表示器を作ってみました。
今どきの製作者ならTFTのカラー液晶などを使うのでしょうけれど。
画面表示は大きいフォントと小さいフォントの2バージョンを作りました。
小さいフォントは - Version 0 - さんの極小フォントを使わせていただきました。
極小フォントのアルファベットは私好みに少し改編しています。
大きいフォントの表示イメージ(20桁×8行)

小さいフォントの表示イメージ(32桁×8行)


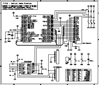
マイコンは手持ちのPIC16F877を使っています。
I/Oポートは半分近くが空きです(汗
16F877を消化するためなので仕方ない・・・
本装置はPCや外部の自作機器などから送られたデータを表示する機能があります。
一つの付加機能として、シリアルポートから電源を取るタイプの機器を繋げられるようにしました。
MAX232系のチャージポンプ出力をD-SUBコネクタから供給しています。
回路図中の「PC」はPCと接続するためのD-SUBコネクタです。
この場合、PCがマスター、本機がスレーブのような関係になります。
一方「EXTERNAL」は外部機器と接続するためのD-SUBコネクタです。
この場合は本機がマスター、外部機器がスレーブのような関係です。
PCコネクタはメス、EXTERNALコネクタはオスにすると接続間違いがなくてよいかと思います。
この2つのコネクタには同時に接続しないでください。
PICのクロックに18.432MHzの水晶発振子も使えるように対応しました。
このクロック周波数だと理論上は通信エラーレートが0%となり、安定した通信ができます。
ソースファイルとHexファイル
20MHz版と18.432MHz版、それぞれに大きいフォントと小さいフォントのHEXファイルを同梱しています。
最新バージョン
Version3 glcd_r3.zip(19KB)
旧バージョン
Version2 glcd_r2.zip(19KB)
Version1 glcd.zip(9KB)
画面バッファは表示用の20桁×8行のみですので、常に大量にデータが送られてくるような用途には向きません。
たとえば1秒おきにセンサから取得した値を表示するなどの用途向きです。
過去に作った LPS331の気圧センサ といったものを接続するのに最適です。